新闻动态

  • 单圈和多圈编码器,增量和绝对值编码器常用知识

    XTK-AJ系列编码器(encoder)是将信号(如比特流)或数据进行编制、转换为可用以通讯、传输和存储的信号形式的设备。XTK-AJ系列编码器把角位移或直线位移转换成电信号,前者称为码盘,后者称为码尺.按照读出方式编码器可以分为接触式和非接触式两种.接触式采用电刷输出,一电刷接触导电区或绝缘区来表示代码的状态是"1”还是“0”;非接触式的接受敏感元件是光敏元件或磁敏元件,采用光敏元件时以透光区和不透光区来表示代码的状态是"1”还是"0”,通过"1”和“0”的二进制编码来将采集来的物理信号转换为机器码可读取的电信号用以通讯、传输和储存。

    2022-05-20 MK体育在线注册,MK体育(中国)自控

  • 压力表的基础知识分享及怎么选择合适的压力表

    工作原理: YQK-YJ系列压力表通过表内的敏感元件(波登管、膜盒、波纹管)的弹性形变,再由表内机芯的转换机构将压力形变传导至指针,引起指针转动来显示压力。

    2022-05-17 MK体育在线注册,MK体育(中国)自控

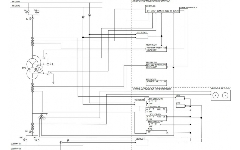
  • 变压器间隔使用225kv母线电压与90kv母线实现检同期的研究知识

    变压器间隔使用225kv母线电压与90kv母线实现检同期的研究知识

    2022-04-28 MK体育在线注册,MK体育(中国)电气

  • 锅炉运行分析经验知识分享

    运行分析就是以机组的安全经济运行为主要目标,根据所掌握的技术资料,运用科学的方法,针对设备(或系统)运行中的各项参数变化来分析设备(或系统)的安全经济性能及其发展变化规律,从而及早发现设备(或系统)的异常及事故隐患,或找出设备(或系统)的最佳启停方案以及最佳运行工况。 运行分析是运行值班人员掌握设备性能及其薄弱环节、掌握事故发生的变化规律,确保安全生产、提高安全意识和岗位运行技术素质的重要措施。通过运行分析,可以了解发生异常的前因后果,做好事故预想,防范可能发生的事故,也为检修部门处理异常缺陷提供方便。

    2022-04-27 MK体育在线注册,MK体育(中国)设备

  • 触摸屏显示器常见故障维修处理知识

    触摸屏显示器常见故障维修处理知识

    2022-04-07 MK体育在线注册,MK体育(中国)

  • 电磁流量计检修校验

    根据法拉第电磁感应定律,导体在磁场中运动时,会产生感应电压。在电磁测量原理中,流动的介质相当于运动的导体。感应电压与介质流速成比例关系。两个测量电极检测感应电压,并将其传输至信号放大器。基于管道横截面积,计算出介质的体积流量。极性交替变换的开关直流电产生直流(DC)磁场

    2022-03-24 MK体育在线注册,MK体育(中国)

上一页1...17181920212223下一页 转至第
首页
产品
新闻
联系