变压器瓦斯继电器可别选错
2023-08-18 MK体育在线注册,MK体育(中国)
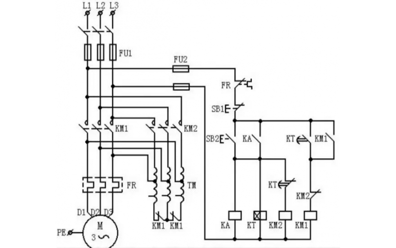
常用低压电器的安装与调试
2023-08-15 MK体育在线注册,MK体育(中国)
电机的重载和轻载保护值,你还在乱设吗?是有规矩的,看完就懂了
2023-08-11 MK体育在线注册,MK体育(中国)
简述误上电保护和启停机保护
2023-08-01 MK体育在线注册,MK体育(中国)
非电量保护不启动失灵
2023-07-26 MK体育在线注册,MK体育(中国)
主变中性点绝缘方式及倒闸操作
2023-07-25 MK体育在线注册,MK体育(中国)
什么是逆功率保护和程跳逆功率保护?两者有什么区别?
2023-07-24 MK体育在线注册,MK体育(中国)
正确选择流量计,五大方面缺一不可!