新闻动态
MK体育在线注册,MK体育(中国)
MK体育在线注册,MK体育(中国)
关于我们
公司简介
在线反馈
联系我们
产品展示
全部
传感器/变送器
流量计系列
液位/料位系列
阀门/执行装置
液压/气动元件
检维修工器具
化验/分析仪器
其他机电仪产品
新闻动态
全部
行业知识
企业新闻
资料下载
客户案例
新闻动态
推荐
热门
最新
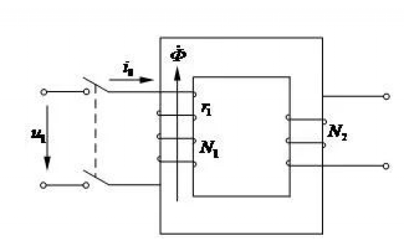
变压器励磁电流大小是否可以控制
变压器励磁电流大小是否可以控制
2022-07-26
MK体育在线注册,MK体育(中国)电气
上一页
1
2
3
4
5
下一页
转至第
首页
产品
新闻
联系
博鱼网页版
|
开云网页版
|
买大小球球平台
|
OD在线网站-首页
|
乐玩官网平台
|
wb(中国)官方网站
|
完美网页版
|
星空在线网站-首页
|
华亿在线-【官网】
|