仪表和控制系统现代化的三种典型方案
2023-07-06 MK体育在线注册,MK体育(中国)
涡街流量计的工作原理和技术要点知识分享
2023-07-05 MK体育在线注册,MK体育(中国)
给排水管道的安装知识分享
换热设备操作规程知识分享
检修防误专项安全措施知识分享
2023-07-03 MK体育在线注册,MK体育(中国)
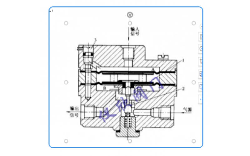
详解气动继动器知识分享
工业自动化仪表设计安装容易忽略的问题
仪表测量范围,量程,示值范围的区别知识分享
2023-06-30 MK体育在线注册,MK体育(中国)